來源:第一電氣網近日,國家標準化管理委員會批準了GB/T 18384.3-2015《電動汽車安全要求第3部分:觸電防護》第1號修正案的公告,該修正案將于2017年7月1日起實施。

關于批準發布GB/T 18384.3-2015《電動汽車安全要求第3部分:觸電防護》第1號修正案的公告;國家標準化管理委員會批準了GB/T 18384.3-2015《電動汽車安全要求第3部分:觸電防護》第1號修正案,該修正案于2017年7月1日生效,現已發布(見附件)。國家標準委員會2017年6月12日附件GB/T 18384.3-2015《電動汽車安全要求第3部分:人員觸電防護》No.1。原標準單項和“4個電壓等級”根據最大工作電壓U將電氣元件或電路分為以下等級,如表1所示。

修訂后的標準根據最大工作電壓U將電氣元件或電路分為以下等級,如表1所示。

對于相互導電連接的電路,當電路中直流帶電部分的一極與電動平臺相連,且具有該極的任何其他帶電部分的最大電壓值≤30 V AC(rms)且≤60 V DC時,則導電連接電路不完全是B類電壓電路,并且只有在B類電壓下運行的部分被認為是B類電壓電路。2.“5.1高壓警告標記”具有原始標準B電壓的電能存儲系統,如REESS和燃料電池堆,應標有圖1所示的符號。符號的背景色為黃色,邊框和箭頭為黑色。參見GB 2893、GB 2894和GB/T 5465.2。當拆除百葉窗或外殼可能暴露B級電壓的帶電部分時,百葉窗和外殼上應清晰可見相同的符號。在評估對該符號的需求時,應考慮屏障/外殼的可接近性和可移除性。

圖1高壓警告標志具有標準B級電壓的電能存儲系統,如REESS和燃料電池堆,應標有圖1所示的符號。對于相互導電連接的電路,當電路中直流帶電部件的一極與電動平臺相連,且具有該極的任何其他帶電部件的最大電壓值≤30 V AC(rms)且≤60 V DC時,REESS不需要標記圖1所示的符號;
否則,無論是否有B級電壓,REESS都應標有圖1所示的符號。符號的背景色為黃色,邊框和箭頭為黑色。參見GB 2893、GB 2894和GB/T 5465.2。當拆除百葉窗或外殼可能暴露B級電壓的帶電部分時,百葉窗和外殼上應清晰可見相同的符號。在評估對該符號的需求時,應考慮屏障/外殼的可接近性和可移除性。

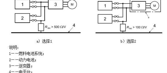
圖1高壓警告標志三、“6.7.1總則”原標準在最高工作電壓下,直流電路的最小絕緣電阻應至少大于100Ω/V,交流電路的最小電阻應至少小于500Ω/V。為了滿足上述要求,根據電路的結構和元件的數量,每個元件都應該具有更高的絕緣電阻。如果直流和交流B級電壓電路導電連接在一起(如圖2所示),應滿足以下兩個選項之一:-選項1:組合電路應滿足至少500Ω/V的要求,或選項2:如果交流電路至少采用第6.7.2節規定的一種額外保護方法,組合電路應滿足至少100Ω/V的要求。。

直流和交流電路導通連接的B級電壓系統的絕緣電阻要求在修訂后的標準下,直流電路的最小絕緣電阻應至少大于100Ω/V,交流電路的最低絕緣電阻應大于500Ω/V。。為了滿足上述要求,根據電路的結構和元件的數量,每個元件都應該具有更高的絕緣電阻。如果直流和交流B級電壓電路導電連接在一起(如圖2所示),應滿足以下兩個選項之一:-選項1:組合電路應滿足至少500Ω/V的要求,或選項2:如果交流電路至少采用第6.7.2節規定的一種額外保護方法,組合電路應滿足至少100Ω/V的要求。。對于相互導電連接的電路,當電路中直流帶電部分的一個極與電動平臺連接,并且具有該極的任何其他帶電部分的最大電壓值≤30 V AC(rms)和≤60 V DC時,本章(6.7)、7.2和8中的要求不適用于該電路(包括直流部分和交流部分)。

直流和交流電路導電連接的B級電壓系統的絕緣電阻要求來源:第一電網近日,國家標準化管理委員會批準了GB/T 18384.3-2015《電動汽車安全要求第3部分:觸電防護》第1號修正案的公告,該修正案將于7月1日實施, 2017.

關于批準發布GB/T 18384.3-2015《電動汽車安全要求第3部分:觸電防護》第1號修正案的公告;
國家標準化管理委員會批準了GB/T 18384.3-2015《電動汽車安全要求第3部分:觸電防護》第1號修正案,該修正案于2017年7月1日生效,現已發布(見附件)。國家標準委員會2017年6月12日附件GB/T 18384.3-2015《電動汽車安全要求第3部分:人員觸電防護》No.1。原標準單項和“4個電壓等級”根據最大工作電壓U將電氣元件或電路分為以下等級,如表1所示。

修訂后的標準根據最大工作電壓U將電氣元件或電路分為以下等級,如表1所示。

對于相互導電連接的電路,當電路中直流帶電部分的一極與電動平臺相連,且具有該極的任何其他帶電部分的最大電壓值≤30 V AC(rms)且≤60 V DC時,則導電連接電路不完全是B類電壓電路,并且只有在B類電壓下運行的部分被認為是B類電壓電路。2.“5.1高壓警告標記”具有原始標準B電壓的電能存儲系統,如REESS和燃料電池堆,應標有圖1所示的符號。符號的背景色為黃色,邊框和箭頭為黑色。參見GB 2893、GB 2894和GB/T 5465.2。當拆除百葉窗或外殼可能暴露B級電壓的帶電部分時,百葉窗和外殼上應清晰可見相同的符號。在評估對該符號的需求時,應考慮屏障/外殼的可接近性和可移除性。

圖1高壓警告標志具有標準B級電壓的電能存儲系統,如REESS和燃料電池堆,應標有圖1所示的符號。對于相互導電連接的電路,當電路中直流帶電部件的一極與電動平臺相連,且具有該極的任何其他帶電部件的最大電壓值≤30 V AC(rms)且≤60 V DC時,REESS不需要標記圖1所示的符號;
否則,無論是否有B級電壓,REESS都應標有圖1所示的符號。符號的背景色為黃色,邊框和箭頭為黑色。參見GB 2893、GB 2894和GB/T 5465.2。當拆除百葉窗或外殼可能暴露B級電壓的帶電部分時,百葉窗和外殼上應清晰可見相同的符號。在評估對該符號的需求時,應考慮屏障/外殼的可接近性和可移除性。

圖1高壓警告標志三、“6.7.1總則”原標準在最高工作電壓下,直流電路的最小絕緣電阻應至少大于100Ω/V,交流電路的最小電阻應至少小于500Ω/V。為了滿足上述要求,根據電路的結構和元件的數量,每個元件都應該具有更高的絕緣電阻。如果直流和交流B級電壓電路導電連接在一起(如圖2所示),應滿足以下兩個選項之一:-選項1:組合電路應滿足至少500Ω/V的要求,或選項2:如果交流電路至少采用第6.7.2節規定的一種額外保護方法,組合電路應滿足至少100Ω/V的要求。。

直流和交流電路導通連接的B級電壓系統的絕緣電阻要求在修訂后的標準下,直流電路的最小絕緣電阻應至少大于100Ω/V,交流電路的最低絕緣電阻應大于500Ω/V。。為了滿足上述要求,根據電路的結構和元件的數量,每個元件都應該具有更高的絕緣電阻。如果直流和交流B級電壓電路導電連接在一起(如圖2所示),應滿足以下兩個選項之一:-選項1:組合電路應滿足至少500Ω/V的要求,或選項2:如果交流電路至少采用第6.7.2節規定的一種額外保護方法,組合電路應滿足至少100Ω/V的要求。。對于相互導電連接的電路,當電路中直流帶電部分的一個極與電動平臺連接,并且具有該極的任何其他帶電部分的最大電壓值≤30 V AC(rms)和≤60 V DC時,本章(6.7)、7.2和8中的要求不適用于該電路(包括直流部分和交流部分)。

直流和交流電路導電連接的B級電壓系統的絕緣電阻要求
標簽:
1、成都公示2017年充換電設施市級補助項目閱讀原文7月13日,成都市經濟和信息化委員會發布關于擬支持成都市2017年新能源汽車充換電設施市級補助相關項目的公示,
1900/1/1 0:00:00來源:第一電動網綜合報道2017年7月13日“2017中國汽車產業發展(泰達)國際論壇”新聞發布會在北京華商會議中心隆重召開。
1900/1/1 0:00:00來源:第一電動網綜合報道1、傳祺GE3純電動SUV將7月21日上市續航或超310公里近日,本站編輯從相關渠道獲悉,廣汽傳祺全新純電動小型SUVGE3將于7月21日正式上市。
1900/1/1 0:00:00敬愛的用戶:首先,在過去的一段時間里,感謝您持續關注我們第一電動網。
1900/1/1 0:00:007月13日,成都市經濟和信息化委員會發布關于擬支持成都市2017年新能源汽車充換電設施市級補助相關項目的公示,
1900/1/1 0:00:00在乘用車領域,自動駕駛的新聞可謂層出不窮,最近,有關自動駕駛在卡車上的應用也開始進入人們的視野。其實早在2015年戴姆勒就公布了一款自動駕駛的概念卡車。
1900/1/1 0:00:00